English
电话 : 0577-63775980 0577-63775986
邮箱 : sales@globalfeipeng.com
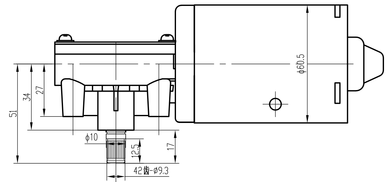
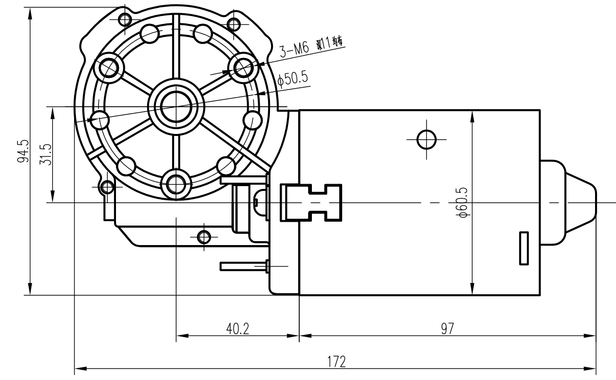
型号:ZD1330
功率:30W
电压:12V
堵转扭力:≥10Nm
型号:ZD2330
电压:24V
堵转扭力:≥12Nm
ZD1735E3/ZD2735E3蓝颜gtv电机
ZD1350/ZD2350蓝颜gtv电机
主题 : ZD1330/ZD2330电机系列
了解我们更多资讯产品
在线留言
微信扫一扫 :
首页
产品
Skype
WhatsApp